Welcome to the Cnidaria subsite on Invertebrate Paleontology!
Please enter a genera name to retrieve more information.
Crassialveolites
Classification
Phylum:
Cnidaria
Class:
Anthozoa
Subclass:
Tabulata
Order:
Favositida
Suborder:
Alveolitina
Family:
Alveolitidea
Subfamily:
Alveolitina
Formal Genus Name and Reference:
Crassialveolites SOKOLOV, 1955, p. 185
Type Species:
Alveolites crassiformis SOKOLOV, 1952b, p. 92, OD; +81, coll. 483, VNlGRI, Leningrad
Images
(Click to enlarge in a new window)
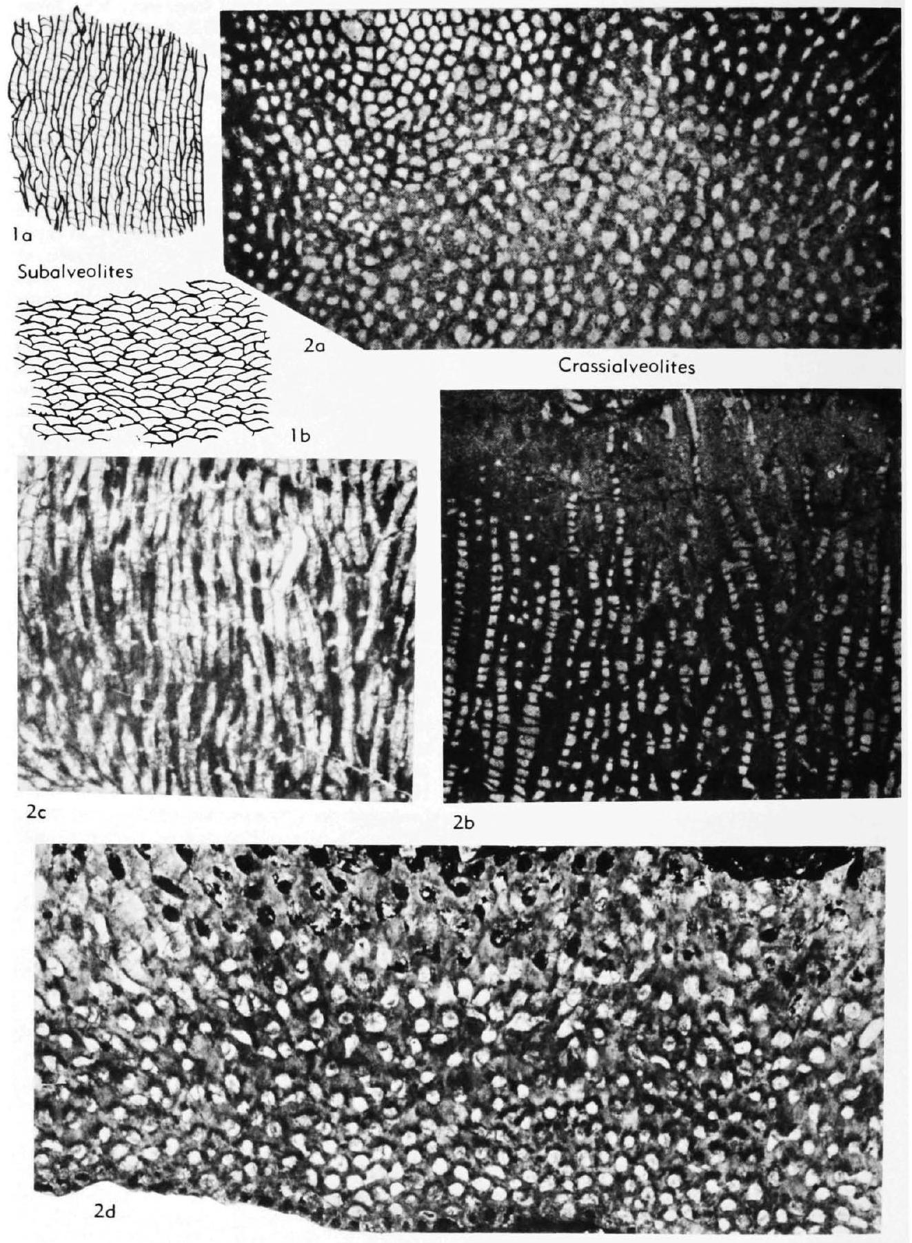
Fig. 400,2a,b. *C. crassiformis (Sokolov), holotype, M.Dev., Stringocephalus beds, USSR, Kursk reg., Staryy Oskol; a,b, transv., long. sees., X4 (Sokolov, 1952b). --Fig. 400,2c,d. ?C. minimus (LELESHUS), holotype, L.Dev.(Siegen.-Iow.Ems.),
N. slopes Zeravshan Ra.; c,d, long., transv. sees., X10 (Leleshus, 1972a; photographs courtesy V. L. Leleshus).
Synonyms
Crassialveolitella, ?Microalveolites, ?Crassialveolitella
Geographic Distribution
Eu.(Belg.Russ. Platf.-Urals)-Asia (Transcauc.-Kuzbas-Ka-zakh.-C.Asia-NE.USSR-China-Viet Nam)
Age Range
Beginning Stage in Treatise Usage:
L.Dev.
Beginning International Stage:
Lochkovian
Fraction Up In Beginning Stage:
0
Beginning Date:
419
Ending Stage in Treatise Usage:
U.Dev.(Frasn.)
Ending International Stage:
Frasnian
Fraction Up In Ending Stage:
100
Ending Date:
371.1
Description
Corallum massive, subglobular, corallites very small and walls greatly thickened, leaving very narrow oval calices, corallites subpolygonal in section, commonly opening nearly perpendicular to surface, mural pores numerous, septal spines of one size only, weakly developed or absent, tabulae thin.
References
Museum or Author Information
Classification
Phylum:
Cnidaria
Class:
Anthozoa
Subclass:
Tabulata
Order:
Favositida
Suborder:
Alveolitina
Family:
Alveolitidea
Subfamily:
Alveolitina
Formal Genus Name and Reference:
Crassialveolites SOKOLOV, 1955, p. 185
Type Species:
Alveolites crassiformis SOKOLOV, 1952b, p. 92, OD; +81, coll. 483, VNlGRI, Leningrad
Images
(Click to enlarge in a new window)
Fig. 400,2a,b. *C. crassiformis (Sokolov), holotype, M.Dev., Stringocephalus beds, USSR, Kursk reg., Staryy Oskol; a,b, transv., long. sees., X4 (Sokolov, 1952b). --Fig. 400,2c,d. ?C. minimus (LELESHUS), holotype, L.Dev.(Siegen.-Iow.Ems.),
N. slopes Zeravshan Ra.; c,d, long., transv. sees., X10 (Leleshus, 1972a; photographs courtesy V. L. Leleshus).
Synonyms
Crassialveolitella, ?Microalveolites, ?Crassialveolitella
Geographic Distribution
Eu.(Belg.Russ. Platf.-Urals)-Asia (Transcauc.-Kuzbas-Ka-zakh.-C.Asia-NE.USSR-China-Viet Nam)
Age Range
Beginning Stage in Treatise Usage:
L.Dev.
Beginning International Stage:
Lochkovian
Fraction Up In Beginning Stage:
0
Beginning Date:
419
Ending Stage in Treatise Usage:
U.Dev.(Frasn.)
Ending International Stage:
Frasnian
Fraction Up In Ending Stage:
100
Ending Date:
371.1
Description
Corallum massive, subglobular, corallites very small and walls greatly thickened, leaving very narrow oval calices, corallites subpolygonal in section, commonly opening nearly perpendicular to surface, mural pores numerous, septal spines of one size only, weakly developed or absent, tabulae thin.
