Welcome to the Cnidaria subsite on Invertebrate Paleontology!
Please enter a genera name to retrieve more information.
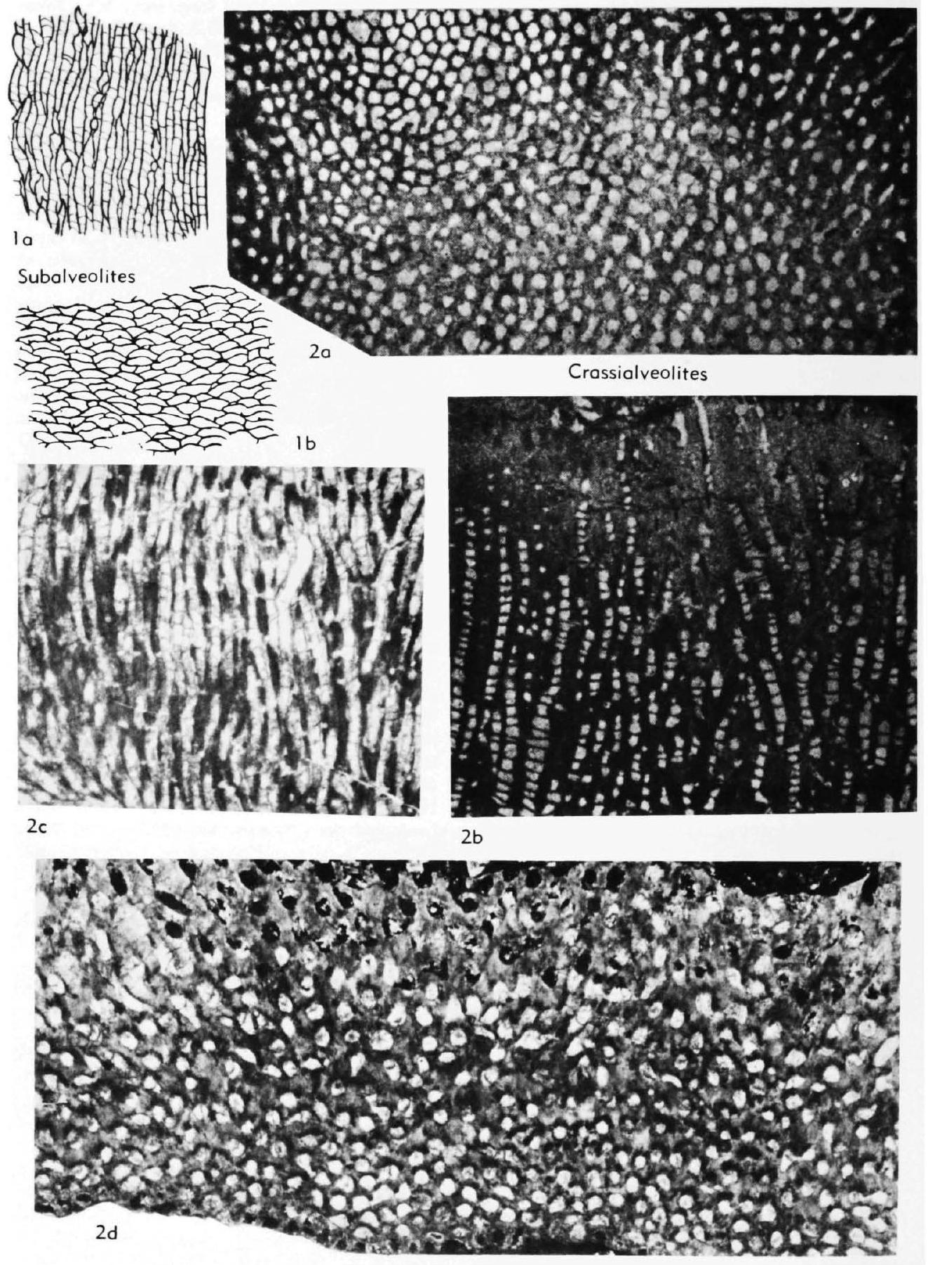
Subalveolites
Classification
Phylum:
Cnidaria
Class:
Anthozoa
Subclass:
Tabulata
Order:
Favositida
Suborder:
Alveolitina
Family:
Alveolitidea
Subfamily:
Alveolitina
Formal Genus Name and Reference:
Subalveolites SOKOLOV, 1955, p. 186
Type Species:
S. panderi, OD, + 49$, coll. 599, VNIGRI, Leningrad
Images
(Click to enlarge in a new window)
Fig. 400,1a,b. *S. panderi, M. Sil.(Wenlock.), Est., Saaremaa, a, b, long., transv. secs., X4 (Sokolov, 1955).
Synonyms
Shanxipora
Geographic Distribution
Eu. (U.K.-Baltic-Podolia-Pol.)-Asia(Sib.Platf.-Tarbagatau Ra.), ?M.Sil., Asia(Shensi)
Age Range
Beginning Stage in Treatise Usage:
L.Sil.(Llandov.)
Beginning International Stage:
Rhuddanian
Fraction Up In Beginning Stage:
0
Beginning Date:
443.07
Ending Stage in Treatise Usage:
U.Sil.(Ludlov.)
Ending International Stage:
Ludfordian
Fraction Up In Ending Stage:
100
Ending Date:
422.73
Description
Corallum nodular, bun-shaped or encrusting, corallites slender, curved, commonly strongly reclined, opening obliquely at surface, in transverse section they are strongly compressed, more or less curved elliptical or crescentic, walls thin throughout, septal spines well developed only on recumbent wall, short median row commonly larger, pores at angles of corallites, tabulae thin, horizontal.
References
Museum or Author Information
Classification
Phylum:
Cnidaria
Class:
Anthozoa
Subclass:
Tabulata
Order:
Favositida
Suborder:
Alveolitina
Family:
Alveolitidea
Subfamily:
Alveolitina
Formal Genus Name and Reference:
Subalveolites SOKOLOV, 1955, p. 186
Type Species:
S. panderi, OD, + 49$, coll. 599, VNIGRI, Leningrad
Images
(Click to enlarge in a new window)
Fig. 400,1a,b. *S. panderi, M. Sil.(Wenlock.), Est., Saaremaa, a, b, long., transv. secs., X4 (Sokolov, 1955).
Synonyms
Shanxipora
Geographic Distribution
Eu. (U.K.-Baltic-Podolia-Pol.)-Asia(Sib.Platf.-Tarbagatau Ra.), ?M.Sil., Asia(Shensi)
Age Range
Beginning Stage in Treatise Usage:
L.Sil.(Llandov.)
Beginning International Stage:
Rhuddanian
Fraction Up In Beginning Stage:
0
Beginning Date:
443.07
Ending Stage in Treatise Usage:
U.Sil.(Ludlov.)
Ending International Stage:
Ludfordian
Fraction Up In Ending Stage:
100
Ending Date:
422.73
Description
Corallum nodular, bun-shaped or encrusting, corallites slender, curved, commonly strongly reclined, opening obliquely at surface, in transverse section they are strongly compressed, more or less curved elliptical or crescentic, walls thin throughout, septal spines well developed only on recumbent wall, short median row commonly larger, pores at angles of corallites, tabulae thin, horizontal.
